|
Q41F天然氣球閥原理作用: Q41F天然氣球閥的關閉件是個球體,球體繞閥體心線作旋轉來達到開啟、關閉的一種閥門。Q41F天然氣球閥在管路中主要用來做切斷、分配和改變介質的流動方向。 Q41F天然氣球閥采用特殊設計的雙斜面彈性密封圈,有效的降低了球體與密封圈之間的摩擦力,減少了操作力矩。Q41F天然氣球閥當介質壓力較小時,密封圈與球體接觸面積較小,故有較大的密封比壓,確保可靠密封。當介質壓力較大時,密封圈與球鐵接觸面積也相應增大。故密封圈能承受較大的介質推力而不會損壞,確保可靠密封。 天然氣球閥Q41F性能特點: ①耐火結構:根據用戶的需要,球閥可設計成耐火結構,當萬一發生火災而使密封圈燒損時,球閥的各個密封部位均能形成金屬對金屬的硬密封結構,有效阻止介質的擴散,防止火災擴大;
②防靜電結構:根據用戶的需要,球閥可設計成防靜電結構,即在球體與閥桿之間設置導電彈簧,使閥門在開啟過程中產生的靜電能通過所設置的靜電通道傳入管路導入地下,達到清除靜電的目的,避免靜電打火點燃介質,確保系統安全。
Q41F天然氣球閥技術參數:
Q41F天然氣球閥部件材質:
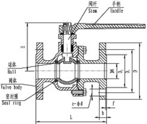
Q41F天然氣球閥外形尺寸:
|
|||||||||||||||||||||||||||||||||||||||||||||||||||||||||||||||||||||||||||||||||||||||||||||||||||||||||||||||||||||||||||||||
-
閥體采用鑄造工藝在通過熱處理后拋丸、拋沙處理、質量可靠、外觀好看。
-
根據工況要求可換密封圈耐溫從-196-540℃可用。
-
可采用軟密封或者硬密封可在各種氫氣、氧氣等氣體、液體場合中使用。
-
本系列產品有調節型、調節切斷型、波紋管密封型、夾套保溫型等多種品種。
-
全通徑結構設計、可禁油、帶防火防靜電功能。
-
根據用戶提供的流量、壓力提供選型規格書及控制方案圖。




